1 Down-Conversion
2 Mixer Classes
2.1 Unilateral Mixer
- Input Impedance independent of load
- transistors in saturation and require bias current (high flicker noise)
- performance depends on
and intrinsic gain ( ) of transistor
2.2 Bilateral Mixer
- Input Impedance dependent on load
- transistors operate in triode (low flicker noise)
- performance depends on
and minimum channel length
| Voltage Mode | Current Mode | Mix Mode |
|---|---|---|
| - needs voltage LNA at output |
- needs current LNA at output - needs TIA (RX only) |
- impedance matching with mixer load |
3 Current Passive Mixer (RX)
- best choice for low power solutions with traditional topology
- performance scales with technology
- can be used in mixer first architecture
- requires current source (shared with LNA)
3.1 Noise
- noise depends on parasitic Capacitance which degrades Output Impedance and Noise
3.2 Modeling
- parasitic capacitances appear as shunt switched capacitor resistances at output
3.3 Impedance
3.4 Quadrature Operation
- needs 25% duty-cycle LO
- 3dB lower conversion gain
- cross-talk between I and Q for Cpar
- leads to asymmetry in transfer function, noise and cross-talk
- asymmetry can be avoided with minimal Circuit Loading
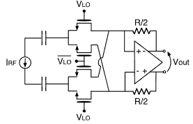
4 Trans-Impedance Amplifier for Bilateral Mixer
4.1 Common-Gate Stage
- Input Impedance limited to
- current re-use possibility
4.2 Op-Amp Configuration
- very low input impedance
- large voltage swing at output
Self-Oscillating Mixers
- merges local oscillator and mixer
- evaluated by it's flexibility, more compact = lower flexibility
LC Tank
- RF signal is injected by bias current, down-converted to DC, then filtered out by LC tank
- oscillates if C >>
Bias Split
conversion gain















